Laboratory study and clinical application of adhesive marginal fit of dental hard tissue restorations
- Authors: Latif A.R.1, Vorobyeva Y.B.1, Malysheva D.D.1, Kovalevsky A.M.1
-
Affiliations:
- Military Medical Academy named after S.M. Kirov
- Issue: Vol 26, No 6 (2022)
- Pages: 487-495
- Section: Experimental and Theoretical Investigations
- Submitted: 15.11.2022
- Accepted: 14.12.2022
- Published: 28.02.2023
- URL: https://rjdentistry.com/1728-2802/article/view/112582
- DOI: https://doi.org/10.17816/dent112582
- ID: 112582
Cite item
Abstract
BACKGROUND: Dental caries is the most common disease of the oral cavity, which can usually be treated by direct composite restoration.
AIM: To assess the quality of the marginal fit of adhesive systems and photocomposites to the hard tissues of the tooth.
MATERIALS AND METHODS: A scanning electron microscopic study was conducted with 30 restorations on teeth previously removed for medical reasons using a 7th-generation adhesive system from the universal group of various manufacturers and composite materials. The experiment included Tetric N-Bond Universal (Ivoclar Vivadent), Prime&Bond Universal (Dentsply Sirona), OptiBond Universal (Kerr), and composite materials (OptiShade, сeram.х® SphereTec, and Tetric N-Ceram). All of these adhesives can be used with any enamel and dentin conditioning technique or with dual-curing composites; thus, their use is relevant in orthopedic dentistry. Teeth sections were made with restorations and scanning electron microscopy was performed.
RESULTS: The self-etching adhesives of the universal group produced different results after studying the electron diffraction patterns of the teeth sections with restorations. The OptiBond Universal (Kerr) adhesive system had the best marginal fit, followed by Tetric N-Bond Universal (Ivoclar Vivadent) and Prime & Bond Universal (Dentsply Sirona). A clinical case of restoration with a combination of class 5 and 3 cavities according to Black was represented by the OptiShade material.
CONCLUSION: A violation of the marginal fit of the material in the zone of contact with the hard tissues of the tooth was noted in 60% of the cases when using the composite material Ceram.x® SphereTec (Dentsply Sirona) and the adhesive Prime&Bond Universal; 20% — Tetric N-Ceram (Ivoclar Vivadent) and Prime&Bond Universal adhesive; in 10% — composite OptiShade (Kerr) and adhesive OptiBond Universal (Kerr). The adhesive should be applied with a brush.
Full Text
RATIONALE
Today, thanks to the emergence of new technologies in therapeutic dentistry, the treatment of hard dental tissues has moved to a qualitatively new, higher level. The treatment of dental caries remains an urgent issue, as evidenced by the wide range of materials and techniques used in everyday dental practice to restore the shape and function of the tooth. Most often, light-curing composite materials are used for this purpose, which make it possible to restore significant defects in the hard tissues of teeth, restore their color, luster and transparency of the tooth.
However, no composite material is used without an adhesive system that provides reliable and long-term adhesion of filling materials to enamel and dentin, isolation of the dental pulp from the action of all types of irritants [1, p. 46]. It is not uncommon for a dental practitioner to apply adhesive systems without understanding the chemical and physical factors of the material composition.
Self-etch adhesive systems have gained great popularity among dentists due to their ease of use, however, their use often causes problems in achieving the optimal level of dentin moisture, which can lead to post-filling sensitivity. An exact generally accepted description of manipulations to remove excess moisture from the carious cavity, unfortunately, does not currently exist.
Manufacturers of self-etch systems offer a simpler application protocol, which is a good reason to use them as an alternative to adhesive systems that require total etch. According to modern concepts, a slightly moistened dentine surface contributes to the creation of an optimal hybrid layer. It is the overdrying of the area or the entire surface of the dentin that significantly reduces the bonding strength of the adhesive and dentin, opens the dentinal tubules during the polymerization shrinkage of the composite. On the other hand, if the dentin surface is left too wet, this will lead to hydrolysis and inactivation of the dentin adhesive [4, p. eleven].
The creators of the 7th generation of adhesive systems have achieved a number of advantages, in particular, the simplification of the method of work and the reduction in time due to the reduction in the number of steps. In a separate group as part of the 7th generation, Universal adhesives are distinguished.
The advantage of this group is the almost complete absence of sensitivity after restoration due to the absence of the risk of overdrying and "over-etching" of the dentin. Good adhesion: 25 MPa with dentine, 30 MPa with enamel. Representatives of this generation of adhesive systems are adhesive systems Tetric N-Bond Universal (Ivoclar Vivadent), Prime&Bond Universal (DENTSPLY), OptiBond Universal (Kerr).
It should be noted that many of the adhesives presented are designed for dual-curing composites, thus they can be used for restorations using the Bertolotti technique. It consists in filling the cavity 2/3 with a chemically cured composite, then 1/3 with a light curing composite with a final light exposure with a light curing device.
Adhesive system Tetric N-Bond Universal (Ivoclar Vivadent) (Fig. 1) has found wide application not only in therapeutic, but also in orthopedic practice of dentists for direct restoration of the tooth stump using chemical, light and dual-curing composites. The film thickness is 10 microns [2, p.100, 3, p.30]. The composition includes MDP monomer, the solvent is water and alcohol, it has hydrophobic properties. It is used for direct composite and compomer restorations of light, chemical and dual curing.
Prime&Bond Universal adhesive (Fig. 2) is based on the patented Active-Guard technology. Active-Guard provides active moisture control, which is represented by a combination of total etch (Etch & Rinse), selective etch (Selective Etch) and self-etch (SelfEtch) adhesives. Due to the fact that the solvent is water, Prime & Bond Universal is evenly distributed in the cavity and retains its properties even in the case of overdried or waterlogged dentin. It is compatible with conventional methacrylate light-curing restorative composite and cementing materials [4, p. 9].
Adhesive OptiBond Universal, developed by Kerr to facilitate the work of a dentist at a clinical appointment (Fig. 3). At its core, the hydrophilic OptiBond technology with GPDM monomer guarantees high adhesion to enamel and dentine. Its uniform distribution over the surface of the cavity and penetration into the dentinal tubules provide solvents such as alcohol, acetone and water.
This combination of solvents ensures the stability of the adhesive formulation. Due to the use of this adhesive system, the polymerization stress at the “filling-tooth” interface is reduced, the tightness of the adhesion of the composite and tooth tissues is improved (Fig. 4) [5, c.33].
OptiBond Universal is suitable for all techniques: total, selective and self-etch. This versatility allows the dentist to use the adhesive in a wide range of clinical situations. OptiBond Universal is also convenient for orthopedic treatment, as its thin film (5 µm) does not overstate the structure during fixation. In addition, the adhesive contains a silane and a metal primer, so it can be used in the preparation of the surface of an indirect restoration.
GOAL
Based on the method of scanning electron microscopy, to analyze the quality of the marginal fit of adhesive systems and photocomposites to the hard tissues of the tooth.
METHODS
Study design: experimental.
Eligibility Criteria: Commercially available adhesive systems and composite materials were used in the study.
Conditions: experimental study was carried out at an air temperature of 20°C and a humidity of 70%.
Study duration: 14 days.
Description of medical intervention: none.
The main outcome of the study: the presence / absence of a violation of the marginal fit of the composite restoration to the hard tissues of the tooth on scanning electron diffraction patterns.
Subgroup analysis: the experiment used previously removed teeth for medical reasons (maxillary incisors), 10 teeth in each experimental group.
Outcome registration methods: description of electronograms.
Ethical review: not conducted due to an experimental study on previously extracted teeth for medical reasons.
Statistical analysis:
Principles for calculating the sample size: The sample size was not previously calculated.
Methods of statistical data analysis: calculation of the percentage of cases of detected violation of the integrity of the marginal fit to the total number of restorations in each group
RESULTS OF THE STUDY
Objects (participants) of the study
The experiment involved adhesive systems of the 7th generation: Tetric N-Bond Universal (Ivoclar Vivadent), Prime&Bond Universal (DENTSPLY), OptiBond Universal (Kerr), and composite materials: OptiShade, Сeram.х® SphereTec, Tetric N- Ceram. The quality of the marginal tightness was assessed by the quality of the marginal fit of the filling materials to the hard tissues of the tooth. The adaptation of the micromorphology of the adhesive layer was studied using scanning electron microscopy (SEM) of longitudinal sections of the tooth crown. For this purpose, 30 restorations of teeth previously removed for medical reasons were performed using self-etching adhesive systems, they were divided into 3 groups, 10 in each. The following materials were used:
Group 1 – Tetric N-Bond Universal (Ivoclar Vivadent) and Tetric N-Ceram composite (Ivoclar Vivadent).
2nd group – Prime&Bond Universal (Dentsply) and Ceram.х® SphereTec composite (Dentsply).
3rd group - OptiBond Universal (Kerr) and composite OptiShade (Kerr).
Main results of the study
After the restoration, the teeth were kept in distilled water for 30 days, then the samples were subjected to thermal cycling from 5º to 55º. Produced longitudinal sections of the teeth.
SEM was used to determine the quality of marginal adaptation in longitudinal sections of tooth crowns. The fit of the composite materials to the hard tissues of the tooth, the repetition of the micromorphology of the adhesive layer were evaluated.
In the first group (Fig. 5), there were small violations of the marginal fit along the entire perimeter of the restoration. On average, out of 10 examined teeth - in 20% of cases.
In the second study group, 60% had violations of the marginal fit of the restoration. On the electron diffraction pattern, at the border of the restoration, inclusions (Fig. 6) from microbrush fibers were observed. We hypothesize that the Prime&Bond Universal adhesive system (Dentsply) affected the fibers and caused them to fall out of the plastic rod.
In the third group with samples from OptiBond Universal (Kerr) and "OptiShade" (Kerr), the fit was broken in 10% of cases (Fig. 7).
Based on the results obtained in the experiment, it is advisable to use the adhesive system OptiBond Universal (Kerr) in combination with the composite material OptiBond Universal (Kerr) in clinical work.
Additional research findings
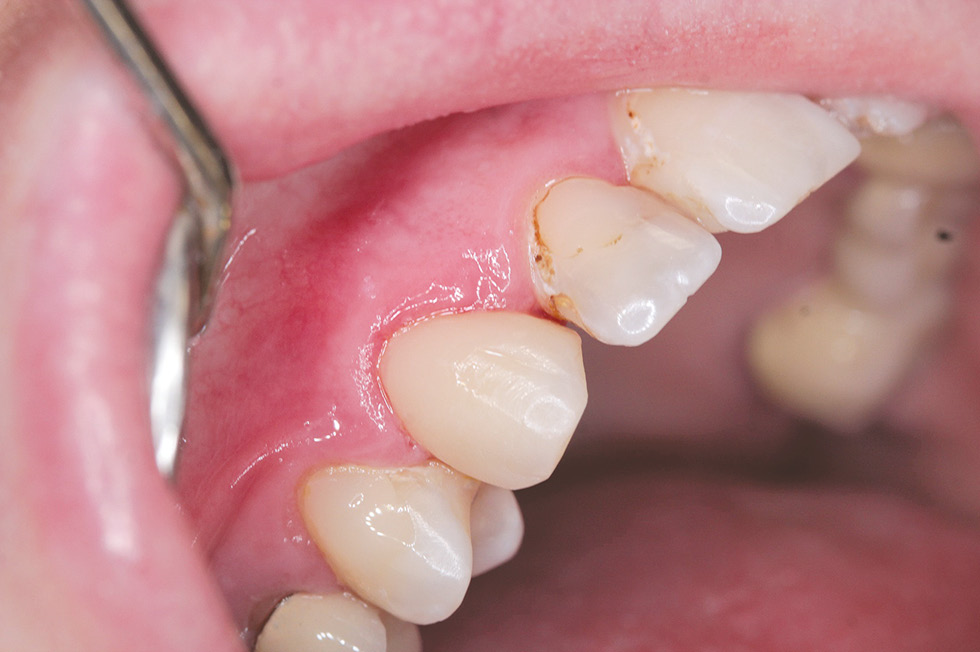
Clinical case. Patient A., 41 years old. He complained about the unaesthetic restoration of the anterior teeth of the upper jaw. According to the patient, the fillings were applied about 10 years ago.
Data of an objective study: mouth opening - in full. The bite is orthognathic. Tooth 1.3: composite restoration on the vestibular and medial surfaces with a pronounced violation of the marginal fit (Fig. 8), the same on the distal and palatal surfaces (Fig. 9). In the cervical region 1.3, there is a slit-like defect of hard tissues with a change in color and softening of the dentin.
Diagnosis: secondary caries 1.3 (dentine caries) K02.1.
Treatment plan: removal of failed restoration 1.3, direct composite restoration 1.3. Given the significant defects in the hard tissues of the vestibular surface 1.3, it seems important to achieve the maximum possible degree of adhesion of the composite material to the hard tissues of the tooth, therefore, a combination of the adhesive system OptiBond Universal (Kerr) and the composite material OptiBond Universal (Kerr) with the effect of polychromy was used.
Treatment was carried out: under infiltration anesthesia Sol. Articaini–1 ml under water-air cooling, failed 1.3 restorations were removed, the vestibular surface was prepared for the manufacture of a direct composite restoration (Fig. 10). Enamel 1.3 was selectively etched, the OptiBond Universal adhesive system (Kerr) was applied, and direct restoration was performed using the OptiShade nanohybrid universal composite (Kerr) (Fig. 11, 12).
The use of the nanohybrid universal composite "OptiShade" (Kerr) made it possible to optimize the work in this clinical case. This material is presented in three shades (Light, Medium, Dark). To replace enamel and dentin, the Medium shade was used, which, thanks to the color substitution of sixteen shades, made it possible to successfully imitate the enamel and dentin of the tooth in terms of color. Due to the high adaptive characteristics and manipulation properties, the restoration of tooth 1.3 looks aesthetically pleasing. The time spent on restoration was reduced due to the use of a single shade of material.
Adverse events: not identified.
DISCUSSION
Summary of the main result of the study
The experiment revealed a different number of violations of the marginal fit of the restorations to the hard tissues of the tooth in different groups, which indicates the important role of adhesive systems in maintaining the integrity of the restoration.
Discussion of the main result of the study
Violation of the marginal fit of the material in the zone of contact with the hard tissues of the tooth was noted in 60% of cases when using the composite material Сeram.х® SphereTec (DENTSPLY) and the adhesive Prime&Bond Universal; 20% - Tetric N-Ceram (Ivoclar Vivadent) and Prime&Bond Universal adhesive; in 10% - composite "OptiShade" (Kerr) and adhesive OptiBond Universal (Kerr). Previously, such comparative studies have not been described in the available literature.
A significant additional result of the study is the identification of brush fibers on the electron diffraction pattern, which is the basis for recommending the use of brushes for applying adhesive instead of brushes.
Study Limitations:
The result of the study was undoubtedly influenced by its experimental laboratory design and the limited sample size. It is advisable to study the immediate and long-term results of the clinical use of various adhesive systems on a large amount of clinical material.
CONCLUSION
Thus, when analyzing the SEM results, it was revealed that self-etch adhesives of the Universal group showed different results. The first place in terms of the quality of the marginal fit is OptiBond Universal (Kerr), the second is Tetric N-Bond Universal (Ivoclar Vivadent), and the third is Prime & Bond Universal (DENTSPLY).
The adhesive systems that took part in the study have universal indications for use. In each clinical case, the dentist determines the need for additional acid treatment of the hard tissues of the tooth. In accordance with the results obtained, it is recommended to apply the adhesive with a brush, and not with a brush.
ADDITIONAL INFORMATION
FUNDING SOURCE
Funding source. The authors declare that there is no external funding for the study and preparation of the publication.
COMPETING INTERESTS
Competing interests.The authors declare the absence of obvious and potential conflicts of interest related to the study and publication of this article.
AUTHOR CONTRIBUTION
Author contribution. Latif A.R. - conducting laboratory tests; Vorobieva Yu.B. – study design, text writing; Malysheva D.D. – literature review, text writing; Kovalevsky A.M. - text editing. All authors made a significant contribution to the study and preparation of the article, read and approved the final version of the article before publication.
About the authors
Aleka R. Latif
Military Medical Academy named after S.M. Kirov
Author for correspondence.
Email: aleka.latif@yandex.ru
ORCID iD: 0000-0002-0051-5421
SPIN-code: 3555-9170
Student
Russian Federation, 6, Academician Lebedev street, Saint Petersburg, 194044Yulia B. Vorobyeva
Military Medical Academy named after S.M. Kirov
Email: doctor32@bk.ru
ORCID iD: 0000-0003-0394-7868
SPIN-code: 9690-1182
MD, Cand. Sci. (Med.), Associate Professor
Russian Federation, Saint PetersburgDaria D. Malysheva
Military Medical Academy named after S.M. Kirov
Email: malyshewa.dasha@mail.ru
ORCID iD: 0000-0003-1467-3321
SPIN-code: 7676-7360
MD, Lecturer
Russian Federation, Saint PetersburgAlexandr M. Kovalevsky
Military Medical Academy named after S.M. Kirov
Email: endy_taker@mail.ru
ORCID iD: 0000-0002-0772-0663
SPIN-code: 6899-4345
MD, Dr Sci. (Med.), Associate Professor
Russian Federation, Saint PetersburgReferences
- Anokhina AV, Ostolopovskaya OV. Investigation of the adhesion force of various adhesive systems with dental tissues. International Scientific Research Journal. 2016;(3):45–47. (In Russ). doi: 10.18454/IRJ.2016.45.003
- Popova EA, Furtsev TV. Study strenght of adhesive joints composite material and dentine depending on the type processing tooth cavity. Russian Journal of Dentistry. 2016;20(2):63–65. (In Russ). doi: 10.18821/1728-28022016;20(2):63-65
- Kovalevsky AM, Vorobyeva YuB, Malysheva DD. The use of pre-polymerization composite material in the restoration of carious cavities of the 5th grade according to Black: a report of laboratory and clinical studies. Institute of Dentistry. 2021;(2):99–101. (In Russ).
- Malysheva DD, Vorobyeva YuB, Kovalevsky AM. Finishing treatment of composite restorations of teeth. Comparative characteristics of polishing systems. Medical and Pharmaceutical journal Pulse. 2022;24(4):28–32. (In Russ). doi: 10.26787/nydha-2686-6838-2022-24-4-28-32
- Satylganova ZhI. Polymerization shrinkage of composite materials as a factor providing marginal adaptation of microhybrid fillings. Bulletin of the Kyrgyz State Medical Academy named after I.K. Akhunbaev. 2015;(4):28–34. (In Russ).
Supplementary files















